Hotline
+8615161118388

Product introduction
This product can indirectly heat or cool paste, granular, powder and slurry materials, and can complete drying, cooling, heating, sterilization, reaction, low-temperature combustion and other unit operations. The special wedge-shaped stirring heat transfer blade in the equipment has high heat transfer efficiency and self-cleaning function of heat transfer surface.
Working principle
Wedge hollow blades are densely arranged on the hollow shaft, and the thermal medium flows through the blades through the hollow shaft. The heat transfer area per unit effective volume is large, and the temperature of the thermal medium ranges from - 40 ℃ to 320 ℃, which can be either water vapor or liquid: such as hot water, heat transfer oil, etc. Indirect conduction heating does not carry air away heat, and the heat is used to heat materials. The heat loss is only the heat dissipation to the environment through the insulation layer of the body. The heat transfer surface of wedge blade has self-cleaning function. The relative movement of the material particles and the wedge surface produces the washing effect, which can wash off the attached materials on the wedge surface, so that the clean heat transfer surface is always maintained during operation. The shell of the paddle dryer is Ω type, and two to four hollow mixing shafts are generally arranged in the shell. The shell has a sealed end cover and an upper cover to prevent the leakage of material dust and give full play to its role.
The heat transfer medium flows through the shell jacket and the hollow mixing shaft through the rotary joint. The hollow mixing shaft has different internal structures according to the type of heat medium to ensure the heat transfer effect.

Performance characteristics
◎ Low energy consumption of the pulp dryer: due to indirect heating, there is no large amount of air to carry away heat, and the outer wall of the dryer is also equipped with an insulating layer. For the slurry material, only 1.2kg of water vapor is needed to evaporate 1kg of water.
◎ The cost of the blade dryer system is low: there is a huge heat transfer surface in the unit effective volume, which shortens the processing time and reduces the size of the equipment. It greatly reduces the building area and building space.
◎ Wide range of materials to be treated: different thermal media can be used to treat both heat-sensitive materials and materials requiring high-temperature treatment. Common media include: steam, heat transfer oil, hot water, cooling water, etc. It can be operated continuously or intermittently and can be applied in many fields.
◎ Low environmental pollution: do not use carrying air, and carry little dust and materials. The solvent evaporation of the material is small and easy to handle. For contaminated materials or working conditions requiring solvent recovery, closed-circuit circulation can be used.
◎ Low operation cost: small wear and low maintenance cost.
◎ Stable operation: due to the special compression-expansion mixing function of wedge-shaped blades, the material particles fully contact with the heat transfer surface. In the axial range, the temperature, humidity and mixing gradient of the material are very small, thus ensuring the stability of the process.
Applicable materials
The pulp dryer has been successfully used in food, chemical, petrochemical, dye, industrial sludge and other fields. The characteristics of heat transfer, cooling and stirring of the equipment enable it to complete the following unit operations: combustion (low temperature), cooling, drying (solvent recovery), heating (melting), reaction and sterilization. The mixing blade is also a heat transfer surface, which increases the heat transfer area per unit effective volume and shortens the treatment time. The heat transfer surface of wedge blade has self-cleaning function. The compression-expansion mixing function makes the materials mixed evenly. The material moves in a "piston flow" along the axial direction. In the axial range, the gradient of temperature, humidity and mixing degree of the material is very small. Low-temperature combustion can be achieved by using heat transfer oil as thermal medium slurry dryer. For example, calcium sulfate dihydrate (Ca2SO4 · 2H2O) is converted into calcium sulfate hemihydrate (Ca2SO4 · 1/22H2O) by combustion. Sodium bicarbonate (NaHCO3) is calcined and converted into soda ash (Na2HCO3), etc. Cooling medium, such as water and cooling brine, can be used for cooling. For example, the paddle type caustic soda cooler used in the soda industry replaces the old air cooling caustic soda cooler, saving energy and tail gas treatment equipment, and reducing operating costs. Drying, the main function of the equipment, does not use hot air, so that solvent recovery, energy consumption and environmental control are in an ideal state of easy treatment. It is particularly suitable for solvent recovery, flammable and oxidizable heat-sensitive materials. It has been widely used in fine chemical, petrochemical and dye industries. In the axial range, the uniformity of temperature, humidity and mixing degree makes the equipment can be used for heating or melting, or for some solid material reactions. It has been successfully used in compound fertilizer and modified starch industries. The pulp dryer can be used to sterilize food and flour. The large heating area in the unit effective volume quickly heats the material to the sterilization temperature, avoiding the change of material quality due to long-time heating.
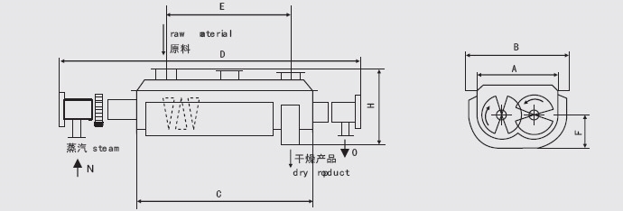
Installation structure diagram

| Item Model | KJG3 | KJG9 | KJG13 | KJG18 | KJG29 | KJG41 | KJG52 | KJG68 | KJG81 | KJG95 | KJG110 |
| Heat transfer area(m2) | 3 | 9 | 13 | 18 | 29 | 41 | 52 | 68 | 81 | 95 | 110 |
| Effective volume(m3) | 0.06 | 0.32 | 0.59 | 1.09 | 1.85 | 2.8 | 3.96 | 5.21 | 6.43 | 8.07 | 9.46 |
| Speed range(rmp) | 15-30 | 10-25 | 10-25 | 10-20 | 10-20 | 10-20 | 10-20 | 10-20 | 5-15 | 5-15 | 5-10 |
| Power(kw) | 2.2 | 4 | 5.5 | 7.5 | 11 | 15 | 30 | 45 | 55 | 75 | 95 |
| Body width A(mm) | 306 | 584 | 762 | 940 | 1118 | 1296 | 1476 | 1652 | 1828 | 2032 | 2210 |
| Total width B(mm) | 736 | 841 | 1066 | 1320 | 1474 | 1676 | 1854 | 2134 | 1186 | 2438 | 2668 |
| Body width C(mm) | 1956 | 2820 | 3048 | 3328 | 4114 | 4724 | 5258 | 5842 | 6020 | 6124 | 6122 |
| Cabinet minister D(mm) | 2972 | 4876 | 5486 | 5918 | 6808 | 7570 | 8306 | 9296 | 9678 | 9704 | 9880 |
| Feed and discharge distance E(mm) | 1752 | 2540 | 2768 | 3048 | 3810 | 4420 | 4954 | 5384 | 5562 | 5664 | 5664 |
| Center height F(mm) | 380 | 380 | 534 | 610 | 762 | 915 | 1066 | 1220 | 1220 | 1220 | 1220 |
| Total height H(mm) | 762 | 838 | 1092 | 1270 | 1524 | 1778 | 2032 | 2362 | 2464 | 2566 | 2668 |
| Steam inlet N(cun) | 3/4 | 3/4 | 1 | 1 | 1 | 1 | 1.5 | 1.5 | 1.5 | 1.5 | 2 |
| Delivery por tO(cun) | 3/4 | 3/4 | 1 | 1 | 1 | 1 | 1.5 | 1.5 | 1.5 | 1.5 | 2 |
?
